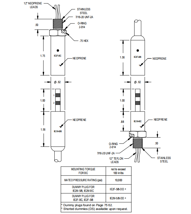
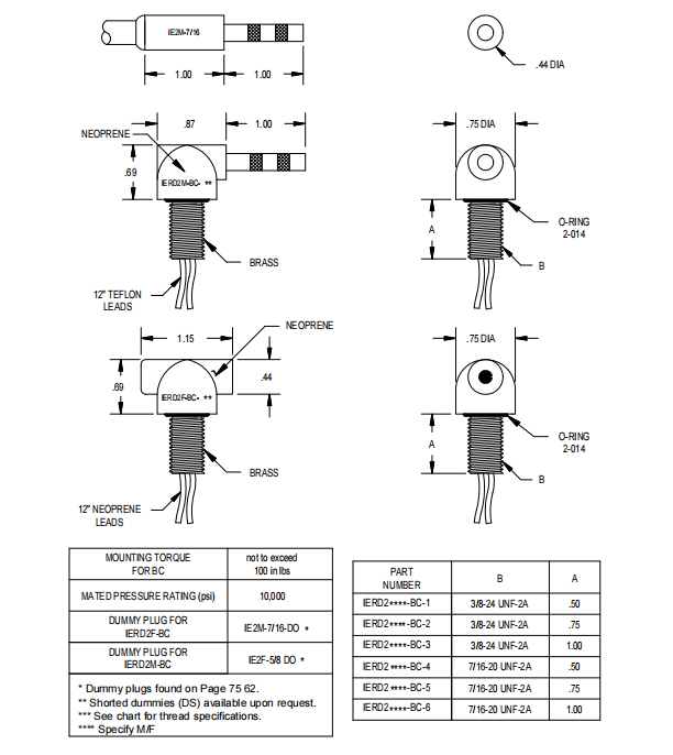
Conector subacuático de acero inoxidable RTIE1-4M-DZ de 4 pines compatible con Teledyne Impulse, clasificado IP68 para uso con ROVs, lámparas subacuáticas y robots marinos. Con especificaciones de 600V/3A y durabilidad a 10000psi, está diseñado para una confiabilidad subacuática.





El Conector Submarino RTIE1-4M-DZ de 4 Pines es una solución subacuática de alta precisión compatible con conectores estilo Teledyne Impulse. Diseñado para ROVs, sistemas de iluminación subacuática y robots marinos, cuenta con un cuerpo robusto de acero inoxidable y está clasificado para operación a 600V con una capacidad de corriente de 3A por pin. Con una tolerancia a la presión del agua de hasta 10000psi y sellado IP68, este conector asegura una distribución de energía segura en entornos subacuáticos extremos. Ya sea utilizado en configuraciones de mampara o en línea, proporciona resistencia a la corrosión e integridad eléctrica para un despliegue subacuático a largo plazo.
Marca: HYSF
Número de modelo: RTIE1-4M-DZ
Tipo: Conector Circular Compatible con Teledyne Impulse
Aplicación: ROVs, iluminación subacuática, robótica marina, sistemas de energía subacuática
Pines: 4P
Corriente nominal: 3A por pin
Voltaje nominal: 600V
Tipo de conexión: Mampara y en línea
Género: Macho y Hembra
Material de la carcasa: Acero inoxidable
Tipo de sellado: Impermeable IP68
Resistencia a la presión del agua: 10000psi
Lugar de origen: Shandong, China
Certificación: TUV, CE, CCC
Estamos aquí para ayudarte con tus necesidades. Hablemos sobre cómo podemos apoyarte.
© 2025 Conectores Submarinos HYSF | Todos los derechos reservados.